Magnetic Stripes

by Dr. Abuse

Translated from Hack-Tic, #8, #9/10, available at P.O. Box 22953, 1100 DL Amsterdam, The Netherlands

Cash is out.  Plastic is in.  In the nineties, the question is: who has the best hand of cards?  We will help you play the big magnetic card game.

Everybody has looked at those credit cards and wondered what exactly was on them.  Whoever dared to even ask about magnetic readers/writers was shocked after hearing the price and they went back to their daily living.  And this while you would be very anxious to know what the bits and bytes mean.

We now give you the opportunity to build your own credit card reader/writer.  For the cost of playing around with electronics plus a few dollars, you can build your own magnetic card copier.  This device reads from one magnetic card and puts the data out onto the other card.  For the advanced electronic hobbyist, there is the magnetic card reader and writer.  Everybody who knows what TTL is and can squeeze something out of his computer and/or hold a soldering iron will be able to make this credit card reader/writer together with the schematics.

Far more interesting than all of the electronic mumbo-jumbo is to first see what's really on the magnetic stripe.  For that we give you the first bit of information in this article.

The information on most credit cards is stored in binary form.  These ones and zeros are stored by changing the magnetic field of the magnetic head by 180 degrees.  To see what's really on the card, you put some iron filings on the magnetic strip and tap the card gently onto the edge of the table (keep paper underneath it because it probably would have cost you lots of effort to make the iron filings) and behold!  Here's your magnetic information, plainly plainly to the eye.  Some cards have such big bits that you theoretically should be able to change the information on it with a magnetized razor blade (Paris Metro cards are a good example).  On other cards, the bits are so close to each other that you will only see a magnetized solid bar.

To store away the information on magnetic cards, some international standards were developed by ISO - the International Standards Organization.  To name one: the magnetic stripe is divided up into three tracks.  A lot of manufacturers use other coding methods to write the cards with and only the iron filing method will give you insight as to what's on the card in these instances.

The first project as mentioned before is to copy the information from one magnetic card to another.  This means that it doesn't matter whether the information is encoded or not since you are just copying.  The only thing you need to know is the exact location and height of the track with the information that you want to copy.  As long as the write head of your copier is bigger than the magnetic strip, you are safe.  See the schematic on this page.  (Schematic #1)


Schematic #1

The Credit Card Copier

At the left of Schematic #1 you will see the read head.  For this (as well as the write head) you cannot use any cassette player head which happens to be lying around.  You will need to use a data head or a card reader head (you can obtain them from Michigan Magnetics among others).

If the head is bigger than the track you are reading from, you will pick up extra noise but if the head is too small, the signal might become too weak.  Experimenting with the gain is essential.  The write head should be as big as possible unless you want to write more than two narrow tracks next to each other.

Between points A and B you can put a pair of headphones (which you have put in series).  If you pass the read head along the stripe, you will hear a sound that might be familiar to you hobbyists who used to once work with data cassettes.

Now you will need to find a way to make the read and write head go simultaneously along both cards.  The trick for this is to take a piece of wood and mount both heads on both ends of it.  Attach the cards (with Scotch tape) to a solid surface and gently slide the heads along both cards (making sure that the heads go in parallel with the magnetic stripe).

There are, however, cards on which the information is not put on the stripe at a ninety degree angle.  If you see something like that (using the iron filing method) you will have to adjust the position on which the heads are mounted.  A little trick to adjust the heads is to replace the 220 ohm resistor in front of the headphones with a 100 nF capacitor and then listening until you find the angle that gives you the highest pitch sound.

You can only write to a card which you have erase previously by, for instance, a demagnetizer.  To double-check if your copy is good, you can listen to it by passing the read head over it and checking to see if the sound of the original and the copy are the same.  We found out that the human ear is a very accurate meter to indicate the accuracy of the copy.

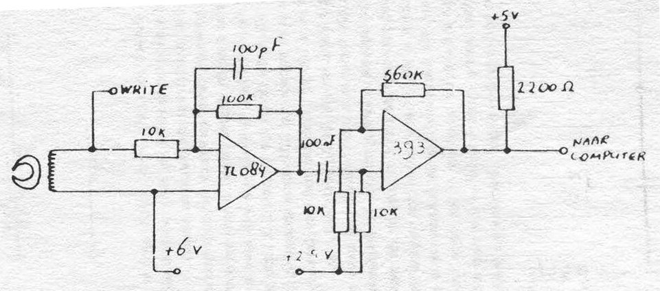
One last word about the dual op-amp - pins 4 and 8 of that chip are used to supply positive and negative voltage (see Schematic #2).


Schematic #2

The Reader/Writer

This schematic (Schematic #3) reads and writes to the same head.  If you want to write something with this schematic, you will have to come up with a device which has a very accurate constant speed, like a modified printer.  The most suitable device, though, would be a real reader/writer mechanism.


Schematic #3


Schematic #4

Most op-amps want to have a positive as well as a negative voltage.  But by means of an active voltage divider (Schematic #5) we can supply the whole card reader from one 12 volt power supply.  The active voltage divider is used twice in the reader/writer.  First of all to divide the 12 volt down to 6 volts (in order to do this you put a 4.7 kΩ resistor where the asterisks are in the schematic).  The second voltage divider you make by putting a 3.3 kΩ at that spot.  This is done to divide the 5 volts out of you computer into 2.5 volts.  The best thing to do is to place a relay on the write line going to the head.  This is so as not to introduce noise while reading form the card.


Schematic #5

Now all you need is an interface that can control the motor of your read/write unit and which can exchange the bits with the circuitry described above.  What you can do then is make binary copies of your card.  The credit card reader/writer can only be used on cards which store their information in binary form, so go and check first with iron filings.

In this section, we will describe several data formats which are used in credit cards.  We will only describe the three tracks as they were described by ISO.  On the third track a large quantity of formats are used.  Only two of them are published here.  The real formats as they are used by banks tend to differ from the original ISO standards but a little bit of research can do miracles on these occasions.  You might wonder how the bits as described later are encoded onto the card because the schematic as we described above is only capable of putting 180 degree magnetic field changes onto the card.  To explain that we use Track 2 because the bits are physically the largest and this ought to work with homemade electronics.

Track 2

The bits are encoded as follows: they are separated by reversing the magnetic field.  These reversals make the output of your reader go from one to zero or vice versa.

Beware:  The fact of whether or not it's a one or zero is not important, but the change in polarity is important.  And now, to make it even more complicated, not only is there a magnetic reversal between tow bits but also in the middle of a binary one is a reversal.  So if you have a constant moving head over your card, software should be able to determine whether they are reading a zero or a one.  In fact, nobody is capable of speeding up the speed of his reading head twice within the time period of one bit.  Therefore, even a constant speed is not required.  So you will get away with cheap, lousy equipment.

Now you have a whole lot of ones and zeroes inside your computer and you still don't know anything.  The important thing here is to know the bit stream starts at the left side of the card so the strip is being read from right to left and after a couple of zeroes the data will start in the following format: P1248P1248...

The P stands for Parity Bit and the 1, 2, 4, 8 stand for the decimal values that they represent: 0001 0010 0100 1000

If you decode this, there is your data, which is similar to Track 2 specifications (ABA).  How the LRC character work (a checksum) we don't know yet.  But our mailbox is open to any suggestions.

Return to $2600 Index