Solid State Tesla Coil/High Voltage Generator


This is a fun and useful circuit for demonstrating high frequency high voltge. It can produce up to about 30KV, depending on the transformer used. It is cheap and easy to make, thanks to the standard TV flyback transformer used. It can power LASERS (although I have never tried), demonstrate St.Elmo's fire, and even cause a fluorescent bulb to light from as much as 2 feet away.

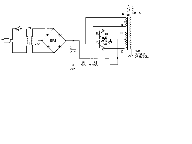
Schematic

This is the schematic of the solid state tesla coil/high voltage generator

Parts

R1__________27 Ohm 5 Or 10W Resistor
R2__________240 Ohm 5 Or 10W Resistor
BR1_________50 Volt, 6 Amp Bridge Rectifier
C1__________8000uf, 35 Volt Capacitor
Q1,Q2_______2N3055 NPN Power Transistors
T1__________24V 5A Transformer (See "Notes")
T2__________TV Flyback Transformer (See "Notes")
S1__________115V 3A SPST Switch
MISC________Case, Wire, Heatsinks, Line Cord.

Notes

1. T2 is a high voltage flyback transformer salvaged from an old TV, or ordered from Fair Radio Sales. Look for the biggest, most intimidating transformer you can find. Old tube TV's are a good place to look. The transformer should not have a rectifier built in.

2. You will need to rewind the transformer's primary. First, remove the old primary, being careful not to damage the high voltage secondary. If the transformer is wound with all windings incased in plastic, use another transformer. Second, wind on 5 turns of 18 AWG wire, twist a loop (center tap), and then wind on 5 more turns. This becomes winding C-D. Now, wind on 2 turns of 22 AWG wire, twist a loop, and wind on 2 more turns. This becomes winding A-B.

3. Q1 and Q2 will run HOT if not used with a large heatsink. After the circuit has been running for a minute or two, you should still be able to put your finger on the transistors without being burnt. Also, R1 and R2 will run hot.

4. If you experience arcing on the exposed transformer leads, select a lower voltage for T1. If you are powering the circuit with a power supply, just crank down the voltage.

5. For a real high voltage output, connect a voltage multiplier (from an old TV or computer monitor) to the output of T2.

6. If the circuit does not work, reverse connections A and B.