Armstrong Laboratory Shield

Radiofrequency Radiation
Dosimetry Handbook

(Fourth Edition)


blue line

Chapter 6. Calculated Dosimetric Data

6.1. CALCULATED PLANEWAVE DOSIMETRIC DATA
FOR AVERAGE SAR

Calculated dosimetric data for the average SAR of humans and various animals irradiated by planewaves with incident-power density of 1 mW/cm2 in free space are presented in Figures 6.1-6.30.
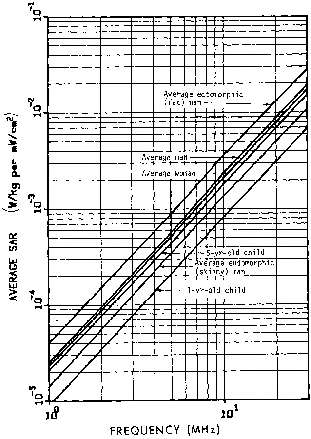
Figure 6.1 shows the average SAR for the six standard polarizations in an ellipsoidal model of an average man. The average SAR in ellipsoidal models of different human-body types, for EKH polarization, are compared in Figure 6.2.
Figures 6.3-6.19 show the average SAR for the three standard polarizations in prolate spheroidal and cylindrical homogeneous models of humans and test animals in the frequency range 10 MHz-100 GHz. These data were calculated by several different techniques, as described in Section 5.1.1 and shown in Figure 5.1. For frequencies below 10 MHz, the 1/f2 principle can be applied to the 10-MHz SAR data to determine SARs at lower frequencies. See Chapter 8 for a comparison of calculated and measured values.
The data in Figures 6.20-6.22 illustrate the effects of tissue layers on average SAR, in contrast to the data for homogeneous models in the previous figures. These data were calculated for a man model consisting of multiple cylinders, each cylinder representing a body part such as an arm or leg (Massoudi et al., 1979b). For a cylindrical model with layers that simulate skin and fat, the average SAR is different from the homogeneous models only for frequencies above about 400 MHz, where the wavelength is short enough that a resonance occurs in a direction transverse to the layers. The frequencies at which the resonances occur are primarily a function of the thicknesses of the layers and are not affected much by the overall size of the body. Figures 6.23 and 6.24 show the relationships between the frequency at which the peaks in average SAR due to the transverse resonance occur and the thicknesses of the layers.

Figures 6.25-6.30 show average SARs as a function of frequency for a few models irradiated by circularly and elliptically polarized planewaves.

Figure 6.1.
Calculated planewave average SAR in an ellipsoidal model of an average man, for the six standard polarizations; a = 0.875 m, b = 0.195m, c = 0.098 m, V = 0.07 m3

Figure 6.2.
Calculated planewave average SAR in ellipsoidal models of different human-body types, EKH polarization.

Figure 6.3.
Calculated planewave average SAR in a prolate spheroidal model of an average man for three polarizations; a = 0.875 m, b = 0.138 m, V = 0.07 m3.
The dotted line is calculated from Equation 5.1; the dashed line is estimated values.

Figure 6.4.
Calculated planewave average SAR in a prolate spheroidal model of an average ectomorphic (skinny) man for three polarizations; a = 0.88 m, b = 0.113 m, V = 0.04718 m3. The dotted line is calculated from Equation 5.1; the dashed line is estimated values.

Figure 6.5.
Calculated planewave average SAR in a prolate spheroidal model of an average endomorphic (fat) man for three polarizations; a = 0.88 m, b = 0.195 m, V = 0.141 m3. The dashed line is estimated values.

Figure 6.6.
Calculated planewave average SAR in a prolate spheroidal model of an average woman for three polarizations; a = 0.805 m, b = 0.135 m, V = 0.06114 m3. The dotted line is calculated from Equation 5.1; the dashed line is estimated values.

Figure 6.7.
Calculated planewave average SAR in a prolate spheroidal model of a large woman, for three polarizations; a = 0.865 m, b = 0.156 m, V = 0.08845 m3. The dotted line is calculated from Equation 5.1; the dashed line is estimated values.

Figure 6.8.
Calculated planewave average SAR in a prolate spheroidal model of a 5-year-old child for three polarizations; a = 0.56 m, b = 0.091 m, V = 0.0195 m3. The dotted line is calculated from Equation 5.1; the dashed line is estimated values.

Figure 6.9.
Calculated planewave average SAR in a prolate spheroidal model of a 1-year-old child for three polarizations; a = 0.37 m, b = 0.08 m, V = 0.01 m3. The dashed line is estimated values.

Figure 6.10.
Calculated planewave average SAR in a prolate spheroidal model of a sitting rhesus monkey for three polarizations; a = 0.2 m, b = 0.0646 m, V = 3.5 x 10-3 m3. The dashed line is estimated values.

Figure 6.11. Calculated planewave average SAR in a prolate spheroidal model of a squirrel monkey for three polarizations a = 0.115 m, b = 0.0478 m, V = 1,1 x 10-3 m3. The dashed line is estimated values.

Figure 6.12. Calculated planewave average SAR in a prolate spheroidal model of a Brittany spaniel for three polarizations; a = 0.344 m, b = 0.105 m, V = 0.0159 m3. The dashed line is estimated values.

Figure 6.13. Calculated planewave average SAR in a prolate spheroidal model of a rabbit for three polarizations; a = 0.2 m, b = 0.0345 m, V = 1 x 10-3 m3. The dotted line is calculated from Equation 5.1; the dashed line is estimated values.

Figure 6.14. Calculated planewave average SAR in a prolate spheroidal model of a guinea pig for three polarizations; a = 0.11 m, b = 0.0355 m, V = 5.8 x 10-4 m3. The dashed line is estimated values.

Figure 6.15. Calculated planewave average SAR in a prolate spheroidal model of a small rat for three polarizations; a = 0.07 m, b = 0.0194 m, V = 1.1 x 10-4 m3. The dashed line is estimated values.

Figure 6.16. Calculated planewave average SAR in a prolate spheroidal model of a medium rat for three polarizations; a = 0.1 m, b = 0.0276 m, V = 3.2 x 10-4 m3. The dashed line is estimated values.

Figure 6.17. Calculated planewave average SAR in a prolate spheroidal model of a large rat for three polarizations; a = 0.12 m, b = 0.0322 m, V = 5.2 x 10-4 m3. The dashed line is estimated values.

Figure 6.18. Calculated planewave average SAR in a prolate spheroidal model of a medium mouse for three polarizations; a = 3.5 cm, b = 1.17 cm, V = 20 cm3. The dashed line is estimated values.

Figure 6.19. Calculated planewave average SAR in a prolate spheroidal model of a quail egg for three polarizations; a 1.5 cm, b = 1.26 cm, and V = 10 cm3

Figure 6.20. Calculated planewave average SAR in homogeneous and multilayered models of an average man for two polarizations.

Figure 6.21. Calculated planewave average SAR in homogeneous and multilayered models of an average woman for two polarizations.

Figure 6.22. Calculated planewave average SAR in homogeneous and multilayered models of a 10-year-old child for two polarizations.

Figure 6.23. Layering resonance frequency as a function of skin and fat thickness for a skin-fat-muscle cylindrical model of man, planewave H polarization. The outer radius of the cylinder is 11.28 cm.

Figure 6.24. Layering resonance frequency as a function of skin and fat thickness for a skin-fat-muscle cylindrical model of man, planewave E polarization. The outer radius of the cylinder is 11.28 cm.

Figure 6.25. Calculated planewave average SAR in a prolate spheroidal model of an average man irradiated by a circularly polarized wave, for two orientations; a = 0.875 m, b = 0.138 m, V = 0.07 m3.

Figure 6.26. Calculated planewave average SAR in a prolate spheroidal model of a sitting rhesus monkey irradiated by a circularly polarized wave for two orientations; a = 0.2 m, b = 0.0646 m, V = 3.5 x 10-3 m3.

Figure 6.27. Calculated planewave average SAR in a prolate spheroidal model of a medium rat irradiated by a circularly polarized wave for two orientations; a = 0.1 m, b = 0.0276 m, V = 3.2 x 10-4 m3.

Figure 6.28. Calculated planewave average SAR in a prolate spheroidal model of an average man irradiated by an elliptically polarized wave, for two orientations; a = 0.875 m, b = 0.138 m, V = 0.07 m3.

Figure 6.29. Calculated planewave average SAR in a prolate spheroidal model of a sitting rhesus monkey irradiated by an elliptically polarized wave, for,two orientations; a = 0.2 m, b = 0.0646 m, V = 3.5 x 10-3 m3.

Figure 6.30. Calculated planewave average SAR in a prolate spheroidal model of a medium rat irradiated by an elliptically polarized wave, for two orientations; a = 0.1 m, b = 0.0276 m, V = 3.2 x 10-4 m3.

blue line

Go to Chapter 6.2

Return to Table of Contents.

Last modified: June 14, 1997
© October 1986, USAF School of Aerospace Medicine, Aerospace Medical Division (AFSC), Brooks Air Force Base, TX 78235-5301

This is a Department of Defense computer system for authorized use only. DoD computer systems may be monitored for all lawful purposes, including to ensure that their use is authorized, for management of the system, to facilitate against unauthorized access, and to verify security procedures, survivability, and operational security. Using this system constitutes consent to monitoring. All information, including personal information, placed on or sent over this system may be obtained during monitoring. Unauthorized use could result in criminal prosecution.

POC: AFRL/HEDM, (210)536-6816,  DSN 240-6816