Somewhat obsoleted as of 4 August 2002 - going to a current loop interface, and star mode.
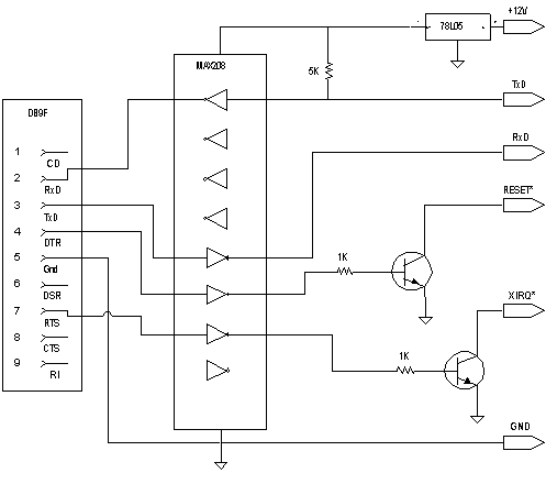
A single RS232 port is used to control all the modified LDG QRP antenna tuners. A Maxim MAX208 RS-232 Transceiver chip is used for level shifting. This chip generates all the necessary bipolar power needed from the +5V system power.
The TxD and RxD lines from the 68HC11 processors are all tied together. The TxD lines are configured (by default) as open drain, so they can share, providing that the processors don't all try to talk at once. A 5K resistor provides the pull up for the shared line.The original 1K pull up on the LDG board is disabled by cutting the trace, otherwise, a single 68HC11 would have to pull down all 10 pullups: 100 ohms or 50 mA!
The Reset* and XIRQ* lines are all active low, with pull ups on the LDG board, so an open collector driver using a discrete NPN transistor is driven from the outputs of the RS232 buffers for DTR and RTS respectively. This transistor does need to sink 50 mA, supplied by all the LDG boards together. The 1K base resistor will provide 3-4 mA of drive to the transistor, which should be sufficient to saturate it, no matter what sort of transistor is used. (I'm using 2N3904's)
The 12V power is regulated to 5V for use by the Maxim chip, and as a reference against the pullups.
The schematic below does not show all the capacitors needed by the MAX208 and filter devices. I also will probably add some LED's to monitor the levels for convenience.

---------------------- New scheme (4 Aug 2002)
Replace those NPN transistors by opto isolators. TxD will drive the LED side, RxD will also be optoisolated (there's already a pullup there, which I might have to put back on (I think I removed them all, or cut the trace)
Total interface is now 4 lines:
TxD
RxD
XIRQ
RESET
What should cabling be? It could be 4 pair (cat5), but it would be nice to send power down the wire too.. Maybe a common return for all the "to" signals? We don't need superduper bandwidth or no crosstalk at 9600 bps, so using 4 pair wire not as pairs isn't going to kill us.
Isolated power, though? If running of the wall socket, we could just send AC down the wire, and have a transformer down there...
rs232if.htm - revised 16 September 1999, Jim Lux
back to implementation details | back
to Phased Arrays | radio home
Jim Lux home
email comments jimlux@earthlink.net